Rangkaian Elektro Pneumatik (A+ A- B+ B-)

Rangkaian Elektro Pneumatik (A+ A- B+ B-)

Rangkaian Elektro Pneumatik (A+ A- B+ B-) - Pneumatik adalah ilmu yang mempelajari gerakan atau perpindahan udara dan gejala atau fenomena udara. Dengan kata lain pneumatik berarti mempelajari tentang gerakan angin (udara) yang bisa dimanfaatkan sebagai penghasil tenaga dan kecepatan (Dikutip dari Al Antoni Akhsan ST, MT). Pada penjelasan tersebut sudah jelas bahwa pergerakan yang terjadi pada komponen pneumatik bergerak karena adanya tekanan udara yang terhambat sehingga menimbulkan tekanan untuk mendorong beban pada komponen pneumatik mapun menggeser pergerakan komponen. Sedangkan pada pembahasan kali ini kita akan membahas rangkaian pneumatik menggunakan sistem elektro pneumatik. Penjelasan diatas merupakan dasar pembelajaran pneumatik sebelum memasuki ke tahap berikutnya, yaitu elektro pneumatik.

Sistem elektro pneumatik adalah sistem yang menggunakan gabungan komponen antara pneumatik dan elektrik. Penggunaan ini didasarkan pada kebutuhan atau bertujuan untuk optimalisasi sistem. Perbedaan dengan sistem penuamti yaitu pada sistem elektro penumatik pada bagian sinyal Input, pemroses sinyal dan pengendali sinyal digunakan komponen elektronika atau komponen kombinasi antara pneumatik dan elektronik, sebagai contoh katup dengan aktuasi Solenoid (Solenoid Valve). (dikutip dari Ferdinand Indra Anditha dan Tonaas Kabul Wangkok YM). Pada penjelasan di atas sudah jelas mengenai perbedaan antara elektro pneumatik dan pneumatik. Langsung saja ke tahp selanjuitnya mengenai penjelsan elektro pneumatik menggunakan 2 siliklus yaitu (A+ A- B+ B-).

Rancangan Rangkaian (A+ A- B+ B-)


Penjelasan Rangkaian
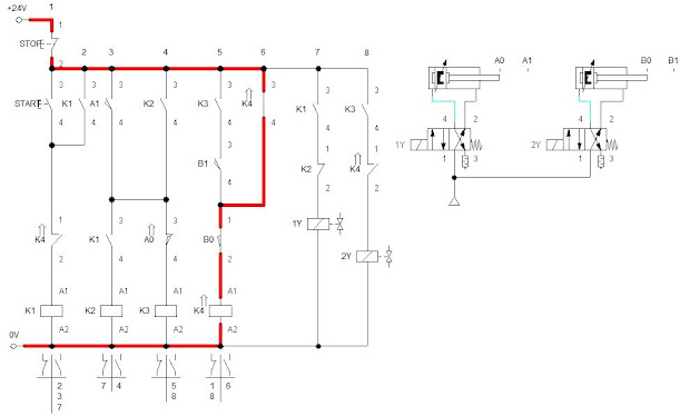
Pada tahap pertama yaitu merangkai rangkaian seperti pada gambar di atas. Sesuaikan penggunaan komponen yang digunakan. Terdapat 2 buah aktuator dengan valve yang digunakan yaitu (Katup 4/2 pengaktif solenoid pembalik pegas). Jadi untuk penggunaan katupnya tidak menggunakan katup 5/2. Setelah merancang rangkaian seperti pada gambar di atas, selanjutny saya akan menjelaskan proses pergerakan pada rangkaian.

Pada saat START di tekan maka tegangan 24V akan mengalir dan mengaktifkan relay (K1). Pada saat relay K1 aktif maka K1 pada kontak NO baris ke 7 akan aktif dan mengaktifkan solenoid 1Y. Solenoid ini akan menggerakan silinder 1 yaitu silinder A. Lalu pada baris ke 2 terdapat kontak NO dari relay K1 yang digunakan sebagai pengunci rangkaian supaya relay K1 tetap aktif. 

Lalu pada  baris ke 3 dan ke 4 akan aktif pada saat silinder A sudah menyentuh sensor A1. Sehingga nantinya pada baris ke 7 terdapat kontak dari relay K2 yang akan memutuskan rangkaian pada baris ke 7. Akibat dari hal tersebut maka solenoid tidak aktif, dan silinder A bergerak mundur akibat pergeseran pada katup yang menggeser arah angin. Untuk lebih jelasnya bisa dilihat pada gambar di bawah ini.


Lalu pada saat silinder A menyentuh Sensor A0. Maka akan mengaktifkan relay K3. Pada baris ke 8 terdapat kontak NO relay K3 yang digunakan untuk mengaktifkan solenoid 2Y. Untuk penjelasannya bisa dilihat pada rangkaian dibawah ini.


Pada saat solenoid 2Y sudah aktif maka silinder B akan bergerak maju hingga menyentuh sensor B1. Pada saat sensor B1 teraktuasi (aktif) maka pada baris ke 5 akan aktif juga, yang mana pada baris ke 5 terdapat relay K4. Fungsi dari relay K4 digunakan untuk memutus rangkaian relay K1 dan solenoid 2Y.

Setelah semua terputus maka silinder B akan bergerak mundur karena solenoid pada silinder B sudah tidak aktif. Hingga nanti pada saat silinder B menyentuh sensor B0 maka rangkaian pada baris ke 5 akan terputus.


***
Tag : Pneumatic
3 Komentar untuk "Rangkaian Elektro Pneumatik (A+ A- B+ B-)"

Baru ketemu pemateri pembelajaran mekanik yang jelas seperti ini, Terimakasih gan untuk infonya

Sangat bagus artikel dan penjelasannya

I found this, It's great to see a writer that have good knowledge regarding the pneumatic system

Silakan berkomentar sesuai dengan topik. Jangan menyisipkan link pada komentar dan jangan sampai komentar Anda masuk komentar SPAM.

Jangan salahkan Saya bila komentar Anda dihapus !

Back To Top